Характеристики
Подача, м3/ч
—
1.2
Максимальная мощность насоса, кВт
—
20
Давление насоса на выходе, МПа, не более, при перекачивании масла, мазута, нефти
—
0.16
Производитель
—
АО "ГМС Ливгидромаш"
Гарантия
—
12 месяцев
По запросу
Нашли дешевле?
Выберите нужный вариант товара
Насос НМШГ 20-25-5/1,6-Рп агрегат на раме, с двигателем
Комплектация:
агрегат с двигателем
Насос НМШГ 20-25-5/1,6-Рп без рамы, без двигателя
Комплектация:
без рамы, без двигателя
Описание
Технические характеристики
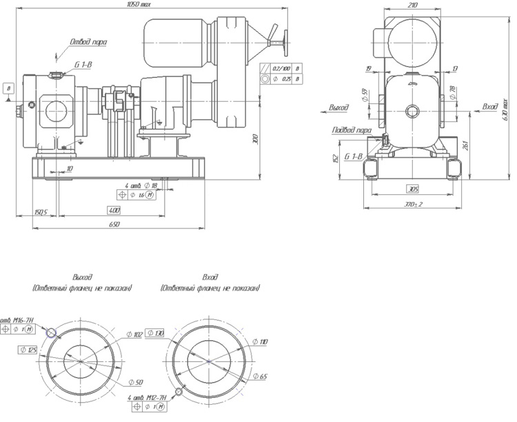
Подача, л/с (м3/ч), не менее : 0,8…4,3(0,22…1,2) Давление насоса на выходе, МПа (кгс/см2), не более: 0,16 (1,6) Мощность насоса в агрегате, кВт, не более: 1,1 КПД насоса в агрегате, % не менее: 20 Внешняя утечка,м3/ч (л/ч),не более: 0,00006(0,0000167) Напряжение, В : 380 Частота тока, Гц: 50 Род тока: Переменный Масса, кг: 50 Масса агрегата, кг: 140Габаритные размеры
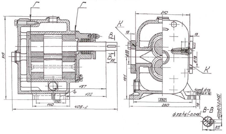
Габаритные размеры агрегатов с литым фонарем серии НМШГ20-25.
Габаритные размеры и параметры агрегатов
Габаритные размеры агрегатов серии НМШГ20-25-5/1,6-Рп.
