Характеристики
Артикул
—
A2D160AB2207
Завод-изготовитель
—
epM
Постоянный/переменный ток
—
переменный
Номинальное напряжение
—
400 В
Скорость вращения
—
2800 об/мин
Входная мощность
—
43 Вт
Все характеристики
По запросу
Нашли дешевле?
Под заказ
Наши менеджеры обязательно свяжутся с вами и уточнят условия заказа
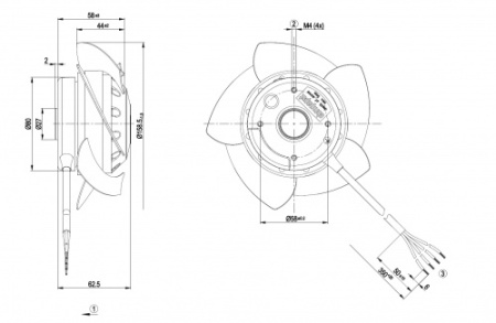
AC осевой вентилятор прямые лопасти (A серии), одностороннее всасывание


Измерение: LU-53212-1
Замеры производительности соответствуют ISO 5801 категория А. Для детального уточнения способа замеров, Вам необходимо обратиться к специалистам ebm-papst. Уровень звукового давления со стороны всасывания: LwA по ISO 13347 / LpA с расстоянием 1м от оси вентилятора. Данные действительны только при указанных условиях измерения и могут варьироваться в зависимости от условий установки. При отклонении от стандартной конфигурации, необходимо проверить все значения в собранной установке.
Где: U = Напряжение питания · f = Частота · n = Скорость вращения · Pe = Входная мощность · I = Потребляемый ток · qV = Расход воздуха · Pfs = Увелич. давления

Измерение: LU-53213-1
Замеры производительности соответствуют ISO 5801 категория А. Для детального уточнения способа замеров, Вам необходимо обратиться к специалистам ebm-papst. Уровень звукового давления со стороны всасывания: LwA по ISO 13347 / LpA с расстоянием 1м от оси вентилятора. Данные действительны только при указанных условиях измерения и могут варьироваться в зависимости от условий установки. При отклонении от стандартной конфигурации, необходимо проверить все значения в собранной установке.
Где: U = Напряжение питания · f = Частота · n = Скорость вращения · Pe = Входная мощность · I = Потребляемый ток · qV = Расход воздуха · Pfs = Увелич. давления
Схема подключения:
| Двигатель трехфазного тока | ||
| Y | Соединение по схеме «звезда» | |
| 1 | Левое вращение | |
| L1 | = V1 = синий | |
| L2 | = U1 = черный | |
| L3 | =W1 = коричневый | |
| 2 | Правое вращение | |
| L1 | =U1 = черный | |
| L2 | =V1 = синий | |
| L3 | = W1 = коричневый | |
| PE | зеленый/желтый | |
Характеристики: производительность по воздуху 50 Гц
Измерение: LU-53212-1
Замеры производительности соответствуют ISO 5801 категория А. Для детального уточнения способа замеров, Вам необходимо обратиться к специалистам ebm-papst. Уровень звукового давления со стороны всасывания: LwA по ISO 13347 / LpA с расстоянием 1м от оси вентилятора. Данные действительны только при указанных условиях измерения и могут варьироваться в зависимости от условий установки. При отклонении от стандартной конфигурации, необходимо проверить все значения в собранной установке.
Данные измерений
| U | n | Ped | I | qV | pfs | qV | pfs | |
|---|---|---|---|---|---|---|---|---|
| V | min-1 | W | A | m3/h | Pa | cfm | in. wg | |
| 1 | 400 | 2800 | 43 | 0,13 | 135 | - | 80 | 0 |
Где: U = Напряжение питания · f = Частота · n = Скорость вращения · Pe = Входная мощность · I = Потребляемый ток · qV = Расход воздуха · Pfs = Увелич. давления
Характеристики: производительность по воздуху 60 Гц
Измерение: LU-53213-1
Замеры производительности соответствуют ISO 5801 категория А. Для детального уточнения способа замеров, Вам необходимо обратиться к специалистам ebm-papst. Уровень звукового давления со стороны всасывания: LwA по ISO 13347 / LpA с расстоянием 1м от оси вентилятора. Данные действительны только при указанных условиях измерения и могут варьироваться в зависимости от условий установки. При отклонении от стандартной конфигурации, необходимо проверить все значения в собранной установке.
Данные измерений
| U | n | Ped | I | qV | pfs | qV | pfs | |
|---|---|---|---|---|---|---|---|---|
| V | min-1 | W | A | m3/h | Pa | cfm | in. wg | |
| 1 | 480 | 3350 | 54 | 0,14 | 155 | - | 90 | 0 |
Где: U = Напряжение питания · f = Частота · n = Скорость вращения · Pe = Входная мощность · I = Потребляемый ток · qV = Расход воздуха · Pfs = Увелич. давления
|
Артикул
|
A2D160AB2207 |
|
Завод-изготовитель
|
epM |
|
Постоянный/переменный ток
|
переменный |
|
Номинальное напряжение
|
400 В |
|
Скорость вращения
|
2800 об/мин |
|
Входная мощность
|
43 Вт |
|
Потребляемый ток
|
0.13 А |
|
Минимальная температура окружающей среды
|
-25 [°C] |
|
Максимальная температура окружающей среды
|
70 [°C] |
|
Степень защиты
|
IP54 |
|
Монтажное положение
|
Горизонтальное расположение вала или ротор внизу; ротор вверху — по запросу |
|
Максимально допустимая темп.окружающей среды
|
°C + 80 |
|
Минимально допустимая темп.окружающей среды
|
°C - 40 |
|
Класс защиты от влаги (F) / класс защиты окружающей среды
|
F3-1 |
|
Количество лопаток
|
5 |
|
Диаметр крыльчатки
|
мм 160 |
|
Вес
|
kg 1.1 |
|
Одно/трехфазная сеть
|
3~ |
