Характеристики
Артикул
—
S2D250BI0201
Завод-изготовитель
—
epM
Постоянный/переменный ток
—
переменный
Номинальное напряжение
—
230 В
Скорость вращения
—
2500 об/мин
Входная мощность
—
100 Вт
Все характеристики
По запросу
Нашли дешевле?
Под заказ
Наши менеджеры обязательно свяжутся с вами и уточнят условия заказа
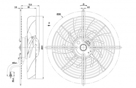
AC осевой вентилятор серповидные лопасти (S серии) с защитной решёткой для сопла


Измерение: LU-59965-1
Замеры производительности соответствуют ISO 5801 категория А. Для детального уточнения способа замеров, Вам необходимо обратиться к специалистам ebm-papst. Уровень звукового давления со стороны всасывания: LwA по ISO 13347 / LpA с расстоянием 1м от оси вентилятора. Данные действительны только при указанных условиях измерения и могут варьироваться в зависимости от условий установки. При отклонении от стандартной конфигурации, необходимо проверить все значения в собранной установке.
Где: U = Напряжение питания · f = Частота · n = Скорость вращения · Pe = Входная мощность · I = Потребляемый ток · qV = Расход воздуха Pfs = Увелич. давления

Измерение: LU-59966-1
Замеры производительности соответствуют ISO 5801 категория А. Для детального уточнения способа замеров, Вам необходимо обратиться к специалистам ebm-papst. Уровень звукового давления со стороны всасывания: LwA по ISO 13347 / LpA с расстоянием 1м от оси вентилятора. Данные действительны только при указанных условиях измерения и могут варьироваться в зависимости от условий установки. При отклонении от стандартной конфигурации, необходимо проверить все значения в собранной установке.
Где: U = Напряжение питания · f = Частота · n = Скорость вращения · Pe = Входная мощность · I = Потребляемый ток · qV = Расход воздуха Pfs = Увелич. давления
Схема подключения:
| ? | Соединение по схеме треугольника |
| Y | Соединение по схеме звезды |
| L1 | = U1 = черный |
| L2 |
= V1 = синий |
| L3 | = W1 = коричневый |
| W2 | желтый |
| U2 | зеленый |
| V2 | белый |
| PE | зеленый/желтый |
Характеристики: производительность по воздуху 50 Гц
Измерение: LU-59965-1
Замеры производительности соответствуют ISO 5801 категория А. Для детального уточнения способа замеров, Вам необходимо обратиться к специалистам ebm-papst. Уровень звукового давления со стороны всасывания: LwA по ISO 13347 / LpA с расстоянием 1м от оси вентилятора. Данные действительны только при указанных условиях измерения и могут варьироваться в зависимости от условий установки. При отклонении от стандартной конфигурации, необходимо проверить все значения в собранной установке.
Данные измерений
| U | n | Ped | I | qV | pfs | qV | pfs | |
|---|---|---|---|---|---|---|---|---|
| V | min-1 | W | A | m3/h | Pa | cfm | in. wg | |
| 1 | 400 | 2500 | 100 | 0,2 | 1830 | 0 | 1075 | 0 |
| 2 | 400 | 2425 | 111 | 0,21 | 1645 | 40 | 970 | 0,16 |
| 3 | 400 | 2360 | 120 | 0,21 | 1400 | 80 | 825 | 0,32 |
| 4 | 400 | 2310 | 127 | 0,22 | 905 | 122 | 530 | 0,49 |
Где: U = Напряжение питания · f = Частота · n = Скорость вращения · Pe = Входная мощность · I = Потребляемый ток · qV = Расход воздуха Pfs = Увелич. давления
Характеристики: производительность по воздуху 60 Гц
Измерение: LU-59966-1
Замеры производительности соответствуют ISO 5801 категория А. Для детального уточнения способа замеров, Вам необходимо обратиться к специалистам ebm-papst. Уровень звукового давления со стороны всасывания: LwA по ISO 13347 / LpA с расстоянием 1м от оси вентилятора. Данные действительны только при указанных условиях измерения и могут варьироваться в зависимости от условий установки. При отклонении от стандартной конфигурации, необходимо проверить все значения в собранной установке.
Данные измерений
| U | n | Ped | I | qV | pfs | qV | pfs | |
|---|---|---|---|---|---|---|---|---|
| V | min-1 | W | A | m3/h | Pa | cfm | in. wg | |
| 1 | 400 | 2650 | 140 | 0,23 | 1950 | 0 | 1150 | 0 |
| 2 | 400 | 2545 | 148 | 0,24 | 1750 | 40 | 1030 | 0,16 |
| 3 | 400 | 2450 | 158 | 0,25 | 1495 | 80 | 880 | 0,32 |
| 4 | 400 | 2350 | 166 | 0,26 | 975 | 125 | 575 | 0,5 |
Где: U = Напряжение питания · f = Частота · n = Скорость вращения · Pe = Входная мощность · I = Потребляемый ток · qV = Расход воздуха Pfs = Увелич. давления
|
Артикул
|
S2D250BI0201 |
|
Завод-изготовитель
|
epM |
|
Постоянный/переменный ток
|
переменный |
|
Номинальное напряжение
|
230 В |
|
Скорость вращения
|
2500 об/мин |
|
Входная мощность
|
100 Вт |
|
Потребляемый ток
|
0.35 А |
|
Минимальная температура окружающей среды
|
-25 [°C] |
|
Максимальная температура окружающей среды
|
65 [°C] |
|
Степень защиты
|
IP44 |
|
Монтажное положение
|
Горизонтальное расположение вала или ротор внизу; ротор вверху — по запросу |
|
Максимально допустимая темп.окружающей среды
|
°C + 80 |
|
Минимально допустимая темп.окружающей среды
|
°C - 40 |
|
Класс защиты от влаги (F) / класс защиты окружающей среды
|
H1 |
|
Количество лопаток
|
7 |
|
Диаметр крыльчатки
|
мм 250 |
|
Вес
|
kg 2.1 |
|
Одно/трехфазная сеть
|
3~ |
